Vysoce přesný vstřikovací stroj
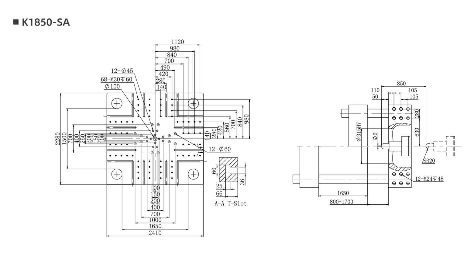
K1850-SA
PREV PRODUCT:No previous article
NEXT PRODUCT:K1500-SA
| POPIS | JEDNOTKA | K1850-SA | ||||
| MEZINÁRODNÍ HODNOCENÍ VELIKOSTI | 22000 | |||||
| A | B | C | D | |||
| VSTŘIKOVACÍ JEDNOTKA | Průměr šroubu | mm | 140 | 150 | 160 | 170 |
| Poměr L:D šroubu | 23.6 | 22 | 20.6 | 19.4 | ||
| Objem výstřelu | cm3 | 11545 | 13254 | 15080 | 17024 | |
| Hmotnost střely (PS) | G | 10506 | 12061 | 13723 | 15492 | |
| oz | 370.6 | 425.4 | 484.1 | 546.5 | ||
| Vstřikovací tlak | Bar | 1913 | 1666 | 1464 | 1297 | |
| Rychlost vstřikování | cm3/s | 1525 | 1751 | 1992 | 2249 | |
| Plastifikační kapacita | g/s | 191 | 225 | 241 | 258 | |
| Max. rychlost šroubu | r/min | 111 | ||||
| UPÍNACÍ JEDNOTKA | Upínací síla | kN | 18500 | |||
| Prostor mezi spojovacími tyčemi | mm | 1650x1500 | ||||
| Velikost desky | mm | 2410x2280 | ||||
| Otevírací zdvih | mm | 1650 | ||||
| Min.mdd výška | mm | 800 | ||||
| Max. výška formy | mm | 1700 | ||||
| Vzdálenost mezi deskami (denní světlo) | mm | 3350 | ||||
| Zdvih vyhazovače | mm | 400 | ||||
| Síla vyhazovače | kN | 430 | ||||
| Počet vyhazovačů | 25 | |||||
| POWER JEDNOTKA | Systémový tlak | Bar | 175 | |||
| Motor čerpadla | kW | 42 54 54 54 | ||||
| Topný výkon | kW | 100 | ||||
| VŠEOBECNÉ | Kapacita olejové nádrže | L | 1500 | |||
| Rozměry stroje (DxŠxV) | m*m*m | 15,6x4,6x5,2 | ||||
| Hmotnost stroje | t | 130 | ||||
| Kapacita zásobníku | kg | 400 | ||||
| Ne | Konfigurace komponent | Značka | Místo původu | Rozsah konfigurace |
| 1 | ovladač | Tchaj-wan Techmation (AK628) 8palcové frézování hliníku | Tchaj-wan | K110-230 |
| 2 | ovladač | Tchaj-wan Techmation(TECH1) 8palcové frézování hliníku | Tchaj-wan | K270-460 |
| 3 | ovladač | Tchaj-wan Techmation (TECH2) 12palcové frézování hliníku | Tchaj-wan | K530-800 |
| 4 | Servo olejové čerpadlo | USA HIGH-TECH | U.S.A | Plný rozsah |
| 5 | servomotor | FÁZE | Itálie | Plný rozsah |
| 6 | servopohon | FÁZE | Itálie | Plný rozsah |
| 7 | Servo sada | Německo Rexroth | Německo | Volitelný |
| 8 | Zpětný ventil | Japonsko YUKEN | Tchaj-wan | Plný rozsah |
| 9 | Zpětný ventil | USA VICKERS | U.S.A | Volitelný |
| 10 | Předplastový motor | DANDUN | Čína | Plný rozsah |
| 11 | Motor pro nastavení formy | DANDUN | Čína | Plný rozsah |
| 12 | Těsnící prvek | U.KHALLITE | Británie | Plný rozsah |
| 13 | mazací systém | HERG | Čína | Plný rozsah |
| 14 | Jistič | SCHNEIDER ELECTRIC | Francie | Plný rozsah |
| 15 | vzduchový spínač | SCHNEIDER ELECTRIC | Francie | Plný rozsah |
| 16 | Elektronické pravítko | Milý | U.S.A | Plný rozsah |
| 17 | Elektronické pravítko | NOVOtek | Německo | Volitelný |
| 18 | Polovodičové relé | FOTEK | Taiwan | Plný rozsah |
| 19 | Pojezdový spínač | SCHNEIDER ELECTRIC | Francie | Plný rozsah |
| 20 | Bezdotykový spínač | FOTEK | Taiwan | Plný rozsah |
| 21 | Šroubová hlaveň | TONGDA | Čína | Celý rozsah |
Vysoký staard továrny
Ningbo KSM Machinery Manufacturing Co., Ltd. je kooperace s italskou technologií specializující se na ušlechtilé plasty při výrobě ušlechtilého lisu na plasty. Naše společnost se nachází v průmyslovém parku Ningbo Beilun Xing Ao. Máme řadu pracovníků výzkumu a vývoje a spolupracujeme se skupinou high-tech podniků. Jako profesionál Čína K1850-SA-Vysoce přesný vstřikovací stroj dodavatelů and OEM/ODM K1850-SA-Vysoce přesný vstřikovací stroj společnost, Vyrábí především vysoce přesné vstřikovací stroje s rozsahem upínací síly od 110T do 1850T. Výrobky mají strukturu s vysokou tuhostí a vybavené dováženými hydraulickými a elektrickými prvky, použitým šroubem s míchací hlavou, aby měly vynikající plastifikační výkon a byly vhodné pro různé technické vstřikování plastů a jsou k dispozici speciální objednávky uživatelů. Od založení společnosti vždy věnovala pozornost pověsti podniku, prováděla vědeckou práci, řízení s racionálními návrhy, opírá se o kvalitní předprodejní, prodejní a poprodejní služby, aby získala důvěru a souhlas velkého počtu uživatelů. Řídíme se heslem „čestní, neustále se zlepšovat, klást důraz na kvalitu, nikdy nepolevovat ve snaze“. Srdečně vítám přátele ze všech wask za vedení. Společnost má výzkumné a vývojové centrum se silnou vývojovou silou. Zároveň spolupracuje s tuzemskými univerzitami a vysokými školami na vývoji a výzkumu vstřikovacích a plastových výrobních zařízení a vstřikovacích lisů. Společnost má moderní zařízení na testování hadic a experimentální zařízení. V posledních letech dosáhlo R&D centrum mnoha úspěchů v oblasti vstřikovacích lisů a plastových zařízení, procesu vulkanizace pryže a vývoji receptur. Srdečně pozvěte zákazníky doma i v zahraničí k návštěvě naší továrny a těšte se na vaši dlouhodobou společnost, která pro vás vytvoří krásný zítřek!
Proč nás vybrat
Máme vlastní testovací laboratoř a pokročilé a kompletní kontrolní zařízení, které může zajistit kvalitu produktů vyráběných naším zařízením.
Naše roční výrobní kapacita je více než 500 vstřikovacích lisů.
Zaměřujeme se na vývoj vysoce kvalitních produktů pro špičkové koncové trhy. Naše výrobky jsou v souladu s mezinárodními standardy a jsou vyváženy hlavně do Evropy, Ameriky, Japonska a dalších destinací po celém světě.
Jsme jen 15 kilometrů od přístavu Ningbo, je velmi pohodlné a efektivní zasílat zboží do jiných zemí.
Zaručte vysokou kvalitu s naší odborností
Autentická spolehlivá kvalita přirozeně vyniká a nebojí se srovnání.
Poskytovat vám nejnovější zprávy o podnikání a průmyslu
1. Základní koncepce vícedutinových forem Vícedutinové formy odkazují na nastavení více dutin ...
1. Energetická účinnost vstřikovacích lisů PET Vstřikovací lisy na PET se obvykle použív...
Jako klíčové zařízení v moderní průmyslové výrobě je automatizace v Vstřikovací stroje PET ...
V procesu vstřikování hraje zásadní roli systém řízení teploty formy. Teplota formy přímo ovlivňu...
Vstřikovací stroje na plasty hrají důležitou roli v moderním průmyslu. Dokážou efektivně vy...
V moderní výrobě jsou formy nepostradatelnou a klíčovou součástí procesu vstřikování. Ztráta plís...